免费文档 所有分类 玻璃雨篷报价单 玻璃雨棚工程 1,点式玻璃雨棚单价

相关图片

钢结构玻璃雨篷 钢结构玻璃雨棚造价明细表 说明:以下造价按规格长1.

玻璃雨棚报价表

钢结构玻璃雨棚造价明细表 说明:以下造价按每平米保价

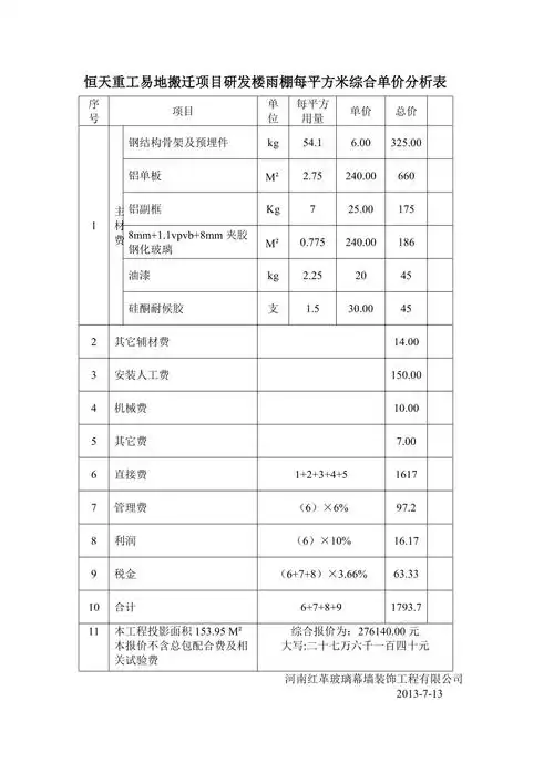
玻璃雨棚综合单价分析表

车道钢结构玻璃雨棚报价单

随机推荐

蔡徐坤偶像包袱掉一地,卸妆后,这才是真颜值

张震井柏然张若昀近两年,一款复古又中性的长发因为吴亦凡,权志龙

新手玩古玉认识古沁色

钟楚曦陈伟霆男强女强的cp感真少见

谢霆锋登时尚芭莎十二月刊封面,展现"怒火归来"的锋味魅力十足

肖战军装图片:一身戎装,英姿飒爽

cs武器原型介绍22p90

2021新款式冰透温柔显白美甲,图片,短指甲-lomo美甲