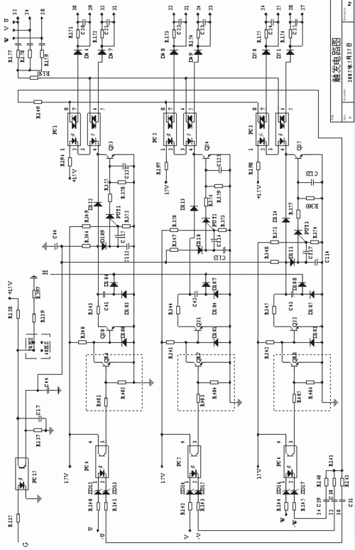
弧焊机电路图

相关图片

蓄电池电焊机电路图

krⅡ气体保护焊原理与维修

逆变焊机维修电路原理图

逆变焊机电路图 - 一脑袋浆糊 - 稀里糊涂

nbc-250 抽头式二保焊机diy

随机推荐

黄晓明赵薇佟大为逗比 首次与"猪"演员对戏

360_640竖版 竖屏gif 动态图 动图

迪士尼旗舰官方店新品儿童发饰簪钗冠女童束发冠国潮女孩古风汉服头饰

胸前两颗痣的男人(胸前两颗痣的男人代表什么)

看到她的照片,网友们都惊艳了_王亭文_因为_电视剧

李宁

让我们一起借助歌手吉克隽逸的经历,深入探讨明星与舆论,梦想

一家六口三个女儿一个儿子卡通头像-图片大观-奇异网