摆摊卖什么小吃最简单薯塔

相关图片

曾红火的旋风薯塔现状 成本和利润解析 龙卷风薯塔做法教学

红薯塔薯塔地瓜红薯塔串串10串油炸夜市摆摊美食街小吃冷冻半成品

薯客旋转薯塔夜市美食街小吃街摆摊创业美食制作视频教程流程

食为先薯塔学员图片

摊位上摆放的红薯据了解,自我省本轮疫情发生后,全省商务部门立即行动

随机推荐

刘亦菲,吸一口天仙的仙气

蔡徐坤超帅头像 蔡总太帅了 我好爱99

杨幂久违登大刊照样赢了不穿高定玩转夏日穿搭性感身材随便秀

让人脸红害羞的动漫情侣头像【婚礼纪】 - 情侣头像头像 可爱 - 实验

陈坤突然官宣周迅被送上热搜已经过了25年是时候公开关系

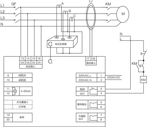
产品标题cx7000系列马达保护器

西班牙插画师davidsierralistón儿插绘本作品

2024年海南省小学生足球赛暨小学男子校园足球联赛在保亭开赛_比赛_大