海尔(haier)尊享kd55/200-ac3空气能热水器一体机200升家用空气源电

相关图片

长虹空调室外机接线图

室外机接线图

海尔变频空调kfr/35w/0123室外机线路板接线图

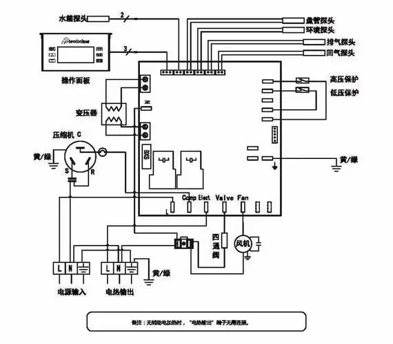
格力空气能热水器御雅系列_接线图分享

phnix直热式空气能热水器空气能三联供中央空调

随机推荐

环球人物专栏王源说##王源2020新岁景明

tfboys-王源

曾经貌美如仙现在却成土肥圆女星胖起来都脱相了

王菲少年如普通中学生一般明星出道前后变化大到认不出

张碧晨女儿被偶遇!5岁华迎辰就读国际学校,长相五官神似华晨宇

蔡徐坤#

王琳凯 #小鬼 - 抖音

重组人干扰素a2b凝胶栓妇科凝胶栓干扰a2a凝胶栓泡腾片宫颈hpv