使用浮球开关实现自动泵水控制电路图_电工基础知识_电工技术-电工最

相关图片

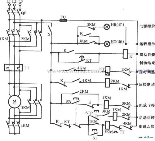
21,零基础学电工-单向运转反接制动控制电路(电路图,仿真图)

正反转星三角降压启动-最常见电路-电工基础知识

零基础学电工先要学会这些最基本的电路图

电动机制动控制电路图_电工基础知识_电工技术-电工最常见电路

使用中间继电器防飞弧短路的y星三角启动电路_电工基础知识_电工技术

随机推荐

tfboys曾合唱快本主题曲##你好星期六

丑陋头像搞笑图片大全十分丑陋的搞笑头像点击鼠标右键下载

舞台背景 新年 舞台 背景 展示 背景墙 社区舞台 文艺汇演 汇演 演出

杨洋这个爱豆造型真的太好看了啊!是断层c位的水.

黄连片500克g包邮中药材黄连根黄莲片无硫磺鸡爪黄连单只支黄连粉

下辈子也要找到你 张艾文 张艾文 歌谱 简谱

诺金复方金银花颗粒16袋清热解毒凉血消肿风热感冒咽炎

回顾唐静:前夫和秦海璐结婚后,独自陪儿子长大,如今选择泪目