李天泽##李天泽0404生日快乐

相关图片

朱志鑫18岁庆生照#祝芝心弟弟@tf家族-朱志鑫18岁生日快乐98愿你

祝四代第一主舞@tf家族-杨博文ybw6.1生日快乐!

张泽禹十七卓立胜景可及

田野执着手中的笔谱写未来的诗@tf家族-姚昱辰#姚昱辰0705生日快乐

张峻豪超话#张峻豪 十四岁豪不畏惧#【张峻豪14岁生日 控评特别企划

随机推荐

韩商言佟年早上五点半排队领证,当街坊面抱起她_杨紫李_李现_亲爱的

《只愿一生爱一人》:陪你校服到婚纱,看青丝成白发

杨紫成毅顶峰相见

科烘豪华版高端猛火无烟多功能气化柴火炉

图为第五届郑州理财博览会上 followme 交易社区展位

半妖2洪尧身份被识与阚清子开启虐恋模式

小猴砸画了一张战哥家的平面图. 大家凑活看哈~[图片]

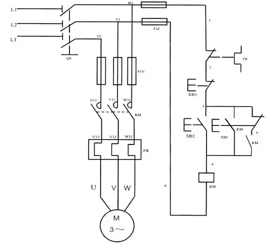
异步电动机单相点动启动控制电路实验