放大电路的工作原理

相关图片

单级放大电路实验原理图

b类otl功率放大电路原理

湖山bk2x100jmk ii放大器电路.

音频放大器的输入测量电源电压的偏差偶合到一个模拟电路的输出信号的

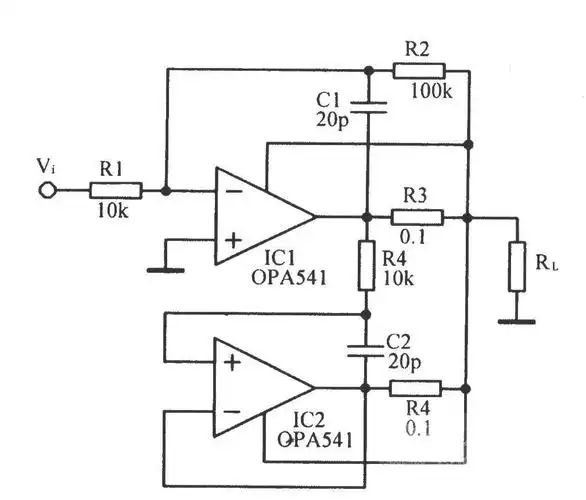
输出电流达10a的功率放大电路

随机推荐

刘德华的影迷都哪去了?_电影_观众_影片

严浩翔绝绝子图片

谢楠留长发了半扎发搭配粉色一字肩薄纱裙温柔又甜美

酷炫街舞姿势卡通街舞风格元素主题街舞舞蹈

上海同城外卖闪送电动车磷酸铁锂电池48v60v72v20ah32ah坐桶备用

微距雄鹰-高清写真壁纸

妲己手绘

【图】蒙面歌王第二季最新消息 蒙面唱将猜猜猜