电动机综合保护器接线图?

相关图片

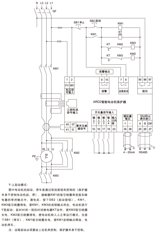
电机综合保护器工作原理及接线方法

jd-5电动机综合保护器,启动就跳

电机水泵综合保护器

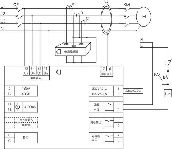
典型接线图

卡西隆可用cdn1过载缺相马达电动机综合保护器三相断相堵转水泵电机

随机推荐

李嘉欣,黎姿,朱茵……70后女明星,美艳动人,叫人沉醉

王俊凯出道至今发型汇总 帅哥每种发型都能驾驭

angelababy 金色礼服长裙:优雅灵魂的内娱美人

红底高跟鞋弧形边浅口12cm黑色高跟鞋女超细跟性感床上情调红底鞋尖头

司藤 剧照

利用废旧物品自制乐器#手工吉他#纸箱制作

技术知识常见空压机安装电路接线说明

海底世界素材|美人鱼 画几只可耐的美人鱼0469♀15