易烊千玺和刘浩存有没有谈过恋爱?

相关图片

【易烊千玺x刘浩存】 只有我磕这一对吗

刚刚好易烊千玺x刘浩存我也不是非要去那座城堡

易烊千玺被刘浩存抓着走,不小心撞到相机,他的反应好温暖

刘浩存想和易烊千玺再度合体谈双人资源遭到千玺无情拒绝

【易烊千玺x刘浩存】《送你一朵小红花》甜甜的恋爱《有何不可》

随机推荐

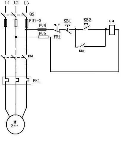
接触器 热继电器 中间继电器 双联按钮 的接线图 是控制17千瓦潜水泵?

181身高的张若昀黑色打扮现身机场果然高个子更适合长款风衣

钟汉良1130生日快乐

马嘉祺

weather girls可爱壁纸_一群活力女主播

【4k壁纸】天空篇 自用高清电脑壁纸 无水印 想要壁纸的点赞77

九款建筑面积400平米以上的大平层,领略成功人士的居家生活!

全球最美的花儿,你看过见过?