rs485 电路图----普通收发

相关图片

普通机械控制型电冰箱电路原理与检测

该饮水机的加热电路和普通饮水机的加热电路相同,所以下面仅介绍制冷

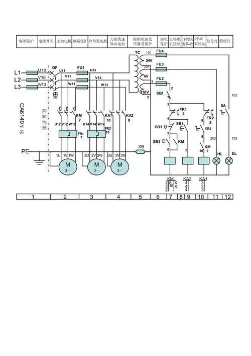
ca6140普通车床电路图

抽油烟机自动控制电路图

电路可安装在普通pcb板上,并封人小盒内.盒子顶部连接通/断开关s1.

随机推荐

帅哥系列壁纸,第20期,我们为大家带来的是陈晓的专属壁纸.

等签证照:各国签证履历照:求学简历求职职工卡企划书头像照

情侣头像_我要个性网

一下风水堂:昨天晚上喝醉了,被一个男的给非礼了

崔连准 - 堆糖,美图壁纸兴趣社区

兄妹头像 来看看是哥哥帅还是妹妹可爱呢

90 禁欲系男生头像大赏 97

斗龙战士之背判