电瓶车三合一开关如何接电瓶正负极

相关图片

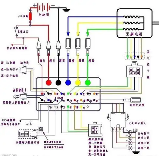
电动三轮车接线图.doc 6页

电动三轮车线路图

【图】想另外加装一块电瓶 请问怎么接线呢_飞度论坛_汽车之家论坛

电动三轮车全车接线图详解手工版优质

我的电动车型号是lev250-mn,把电瓶拆下来充电时,将充电器直接连接

随机推荐

唯美迷人的自然风景桌面壁纸

透露自己动手20分钟剪完,被疑与鹿晗分手|贾玲|李易峰|女明星_网易

《绝密使命》运用巧妙的艺术手法为刀尖上行走的无名英雄立碑

ayo成都音乐节 小鬼 马思唯 法老.ayo!成都真的好久不 - 抖音

吉克隽逸眼线拉到太阳穴##吉克隽逸把彝族元素融入时装

继续延长活动周期!《produce 101》第四季练习生需要签约五年

就你牛

情头双人