阿特拉斯空压机流程图

相关图片

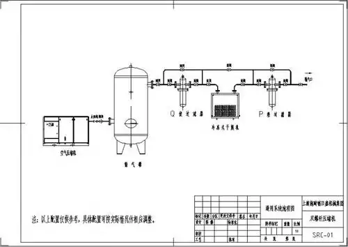
熔喷布生产用空压机安装示意图常见问题解答-麦恩斯空压机

螺杆空压机安装流程图_搜了网

空压机配套制氮机-斯可络空压机

柯励森博士教您空压机的安装常识

广州汉粤吸附式干燥机 无热压缩空气had-10mxf微热干燥机 吸干机-阿里

随机推荐

王俊凯亮相品牌活动,但西服严重不合身,工作室被怀疑不做事

总经理行程安排表

苏泊尔(supor)豪华智能电饭煲 sf40fc71参数配置_规格_性能_功能-苏宁

陈乔恩_吴磊_鲜肉

种植基地09 - 种植基地 - 晋宁昆阳张良花卉专业合作社

英雄联盟千钰lol技能介绍千珏属性技能详解已采纳

大地色英文名:earth tone,顾名思义就是接近大地的颜色.

描写落日的唯美诗句 - 知乎