ups电源电池接线示意图 !

相关图片

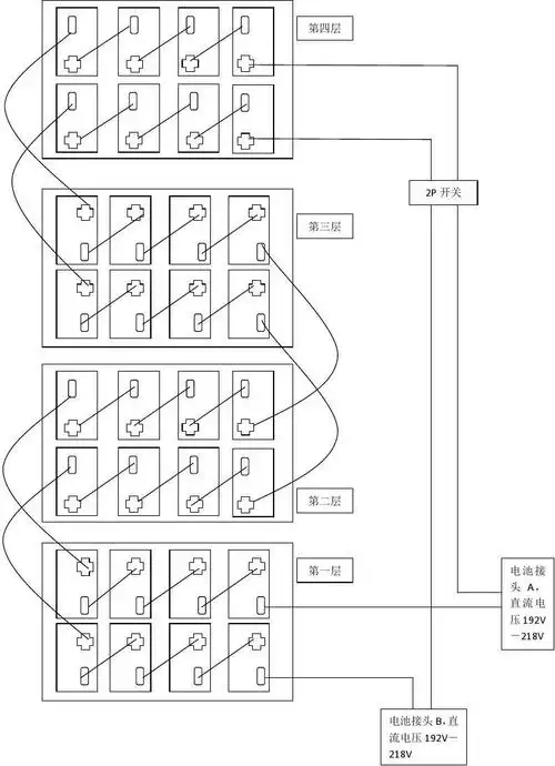
ups_a32电池箱内电池连接示意图_2组独立

山特ups后备式电源不间断mt1000spro应急用1000va600w

不间断电源蓄电池接线图 apcups电源

3a3ups接线示意图

不间断电源蓄电池接线图 apcups电源

随机推荐

吴白喜欢艾情#胡一天吴白《亲爱的热爱的》"我不仅想向世界证明中国

潮牌手机壁纸系列潮牌手机壁纸

这二天在选系统窗,再考虑用不用low-e玻璃我家住在25楼, 前面无楼层

唯美霸气跑车电脑宽屏桌面壁纸

服兵役的男人黄景瑜娱乐圈有另一条路叫以退为进

诗词精读分享《出塞》唐·王昌龄 诗词讲解 依旧是秦汉时期的明月和边

可爱01#宋雨琦 #gidle #q版 #procreate绘画 #qq人 #可爱头像

上海地铁14号线西延伸线路图公布