plc正反转控制? 按钮开关? 冲孔加工? 断电延时型时间继电器?

相关图片

给大家分享几个动态原理图,有几个经典案例:顺序启动,正反转,星三角

反转反转再反转两位姐姐的爱欲太烧脑

plc正反转控制? 按钮开关? 冲孔加工? 断电延时型时间继电器?

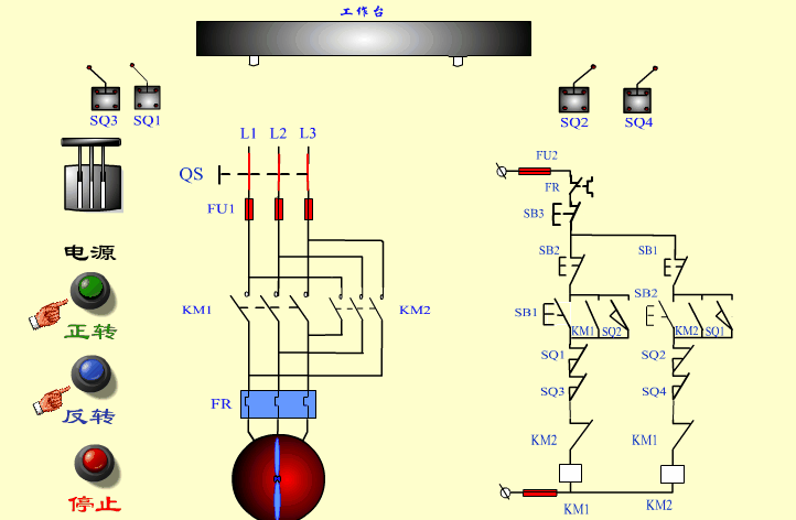
电动机正反转电路图电动机正反转原理图三相电动机正反转工作原理

同轴反转螺旋桨的原理, 用 13 张动图 12 架飞机, 会让你看的清楚明白

随机推荐

杨洋壁纸 - 别来无恙. - 抖音

成毅赵丽颖张艺兴朱一龙热巴罗云熙鹿晗ab邓为宋威龙_凤行_迪丽热巴

东北大屁屁(微信表情包)

黄圣依早期刚刚出道时的形象,真的很适合出演清纯校花类的角色.

胖友们有适合深色模式的v聊天背景图吗?

的戏曲人物"——十四中"戏曲进校园"活动之二 写美篇 当戏曲遇到绘画

被刘强东带火的蒋聘婷到底是什么样的魔鬼身材让你一饱眼福

当徐熙媛遇上徐熙娣同台比穿搭,这才明白什么是性