胡子肌肉男 胡子怎么修造型 男士胡子造型设计

相关图片

胡子图片(好看的胡子造型)

胡须种植怎么样呢 杭州杭城植发整形医院给你足够男人味

留胡子老是被嫌脏三种适合亚洲男人的胡子造型参考

最帅胡子男 丰姿英俊 充满男人魅力

男士如何修剪胡须?

随机推荐

谭松韵蕾丝白裙唯美写真桌面壁纸

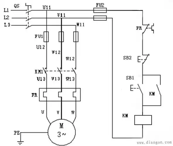
电机自锁接线图 - 第2页 - 电路图分享_电工学习网

压死骆驼的最后一根稻草是什么意思

杨颖高颜值壁纸分享_力量_个人_领域

小青陈美琪罕见写真曝光

看了陈坤那么多造型,当属满脸胡渣最帅!满脸大叔气质早该意识到

择天记莫雨

龙珠:自在极意功100形态,大神官看了都怕,孙悟空实力超越全王