还有谁在考试?千玺保佑你我

相关图片

易烊千玺保佑我考试顺利

千玺祝你逢考必过

易烊千玺逢考必过考神图

玺崽原创逢考必过谢谢千玺考试加油60

易烊千玺逢考必过考神图易烊千玺逢考必过的头像

随机推荐

张艺兴xchaumet99清爽温柔短发兴.刷到张艺兴一组新图 - 抖音

七里香-周杰伦五线谱预览1-钢琴谱文件(五线谱,双手简谱,数字谱,midi

边伯贤

苏紫紫,高清壁纸图片,大陆美女-回车桌面

汤姆哈迪恤男短袖传奇毒液头像印花青年休闲t恤

应该是在等候飞机,翘着二郎腿的模样,看上去就像是社会小姐

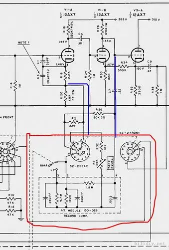
大家有兴趣来一起研究一下麦景图c22的电路吗?

这3款发型清爽干净,剪完阳光又帅气|寸头|脸型|锅盖头_网易订阅