清新唯美花卉主题图片电脑桌面壁纸

相关图片

简约小清新青藏线风景高清图片桌面壁纸

夏季向日葵唯美电脑桌面壁纸下载

首页 电脑壁纸 花卉壁纸 鲜花背景 清新唯美花草密语 清新唯美花草

清新静物唯美摄影高清电脑桌面壁纸图片下载

唯美仙境落日树 迷雾 风景电脑壁纸 - like壁纸网

随机推荐

手写华晨宇语录

卡通大象头像图片

王一博72迪丽热巴『季向空&高雯』互怼剧情向有声版

帅哥,美男,顶级美男,半神,神颜来袭|魏大勋|女明星_网易订阅

李沁性感写真集锦,秀出满满的女神范儿

日产gtr图片

头条问答 - 名侦探柯南中怪盗基德和工藤新一是不是长得差不多啊?

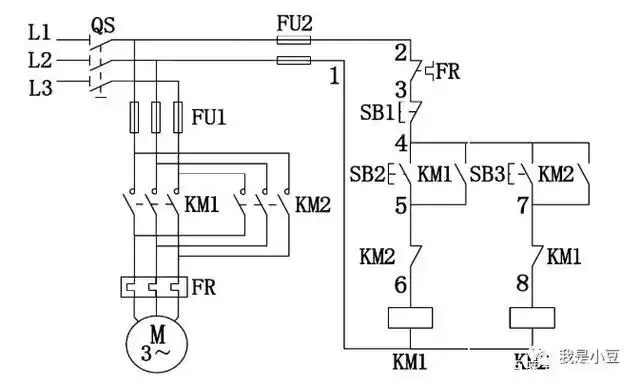
电工必备:22个经典电路图,不会看电路图的电工不算合格电工