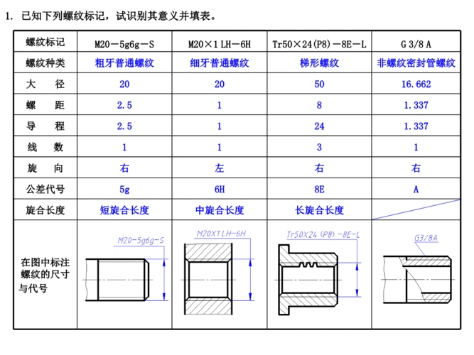
尺寸标注之螺纹的正确标注方式

相关图片

机械制图:螺纹的表示方法(小螺纹!大用处)

螺纹的规定画法标注实例

中所示m20粗牙普通外螺纹的错处圈出,将正确的画在下面(包括尺寸标注)

普通螺纹基本尺寸docx

螺纹基本尺寸对照表12495doc

随机推荐

高圆圆的高跟鞋,让她的每一步都如同优雅的舞蹈,轻盈而美丽.

成熟男人头像男人味高清图片气质男生高质量微信头像大全

陈数《一代枭雄》开年 收视火热表现优|《一代枭雄》|陈数|电视剧

珠穆朗玛峰登山死亡者的干尸变地标 每具背后都有故事

国话演员马丽# 和 平 的 全 盛 时 代|李文竹 "你轻轻,走进了我的

男生纹理烫发:三七侧背 纹理烫能让头发保持自然的同时增加发型的线条

倒霉死勒 #梅梅 #壁纸 梅梅壁纸 - 抖音

植物大战僵尸2旗子僵尸图鉴_植物大战僵尸2旗子僵尸怎么打_7k7k植物