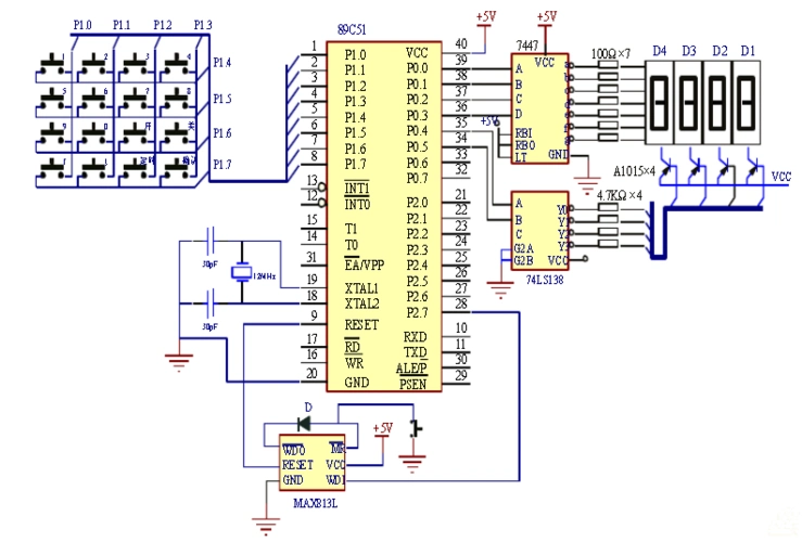
设计了一款功率为320w的led路灯驱动电源,采用apfc 半桥llc的两极电路

相关图片

室内智能照明控制系统电路设计-其他控制电路图-电子产品世界

电路原理图设计

数字电路倒计时毕业设计论文

室内智能照明控制系统电路设计-其他控制电路图-电子产品世界

电路的正向设计

随机推荐

字体帮第926篇高冷明日命题老司机

吴世勋最新照片曝光,发腮脸歪还隐约有些小肚子,被吐槽又丑又胖_网友

关于温柔到骨子里的文案背景图 温柔到爆的神仙文案背景图大全精选

告别《杨三姐告状》之娇媚 邓英展多面色彩(组图)

干净又清秀的少年

原创妖扬不愧是古风圈一体机穿上汉服后温润如玉太迷人

夕阳女生头像在海边侧脸清晰短发背影头像大海背影头像海边日落精选

可爱童趣的婴儿房设计 色彩鲜艳的主题创意空间