武汉803路公交车线路图

相关图片

武汉公交线路汇总20240604

展开全部 武汉公交610路公交线路如图所示

6月10日起武汉这条公交终点调整至金融港

武汉公交集团公交三公司运营,线路的运行区间是龙阳大道王家湾和熊家

这趟透明的公交车实力诠释360清透英雄城市武汉

随机推荐

赵丽颖黑色连衣裙##赵丽颖黑色深v连衣裙##陪赵丽颖奔赴每一个十年

权志龙#

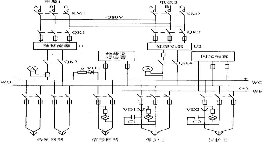
文档下载 所有分类 工程科技 信息与通信 > 论工厂供电系统的二次回路

1月6日,电视剧《灵域》宣布定档,1月9日正版视频平台正式上线开播.

绿色护眼电脑桌面壁纸

轩辕剑之汉之云 横艾 张佳宁

女生发型练习

常山赵子龙动态图(一身是胆的常山赵子龙)