【马嘉祺】马哥穿搭 狂拽酷炫01

相关图片

冷脸神态,这眼神的压迫感好强,看了好多他的照片,冷脸马嘉祺果然96

马嘉祺黑色连帽衫##马嘉祺眼神压迫感

马嘉祺朱雀cr诗寄矜奈

马嘉祺有哪些超帅帅到舔屏的神图,求(无水印? - 知乎

马嘉祺霸气头像

随机推荐

邓伦四任前女友照片曝光,全是气质型美女,杨紫没机会了?

二八分侧背

19岁中越混血模特走红曾因年龄过小遭非议

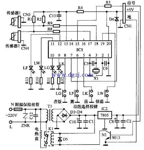
智能电饭煲电路原理图及故障检修方法

辛皇夏季新款油亮半身裙性感光泽舍宾裙包臀裙透明紧身免脱超短裙白色

不良人落花洞是十二峒之一山神是李淳风李茂贞负了千乌

2d半头身卡通游戏角色rpg横版拼贴地图游戏图标素材资源合集

不婚族万茜我这辈子最正确的决定就是嫁给普通摄影师老公