> 基于niosii的高精度数控直流稳压电源设计 图3为系统电源电路图

相关图片

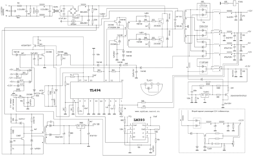
开关电源电路图原理图如图所示.

收集25套atx电源电路图及零基础视频入门讲座,以供参考

30w,12v输出开关电源电路图

长城btx-400sd开关电源电路原理图

当前第1页) 你可能喜欢 开关电源变压器计算 电脑开关电源电路图慈

随机推荐

女生超酷短发推荐 中性风发型可盐可甜_女生短发 - 美发站

停课不停学-《画坏坏的病毒》 写美篇小朋友们我们今天要准备好画画

打字出表情包的输入法,能打出表情包的输入法哪个好(其他输入法接得住

楚雨荨丨三丽鸥闺蜜头像粉色系

表白.带你去看万千世界~#治愈系风景 #唯美意境 #愿所有的 - 抖音

自一组小提琴持琴基本知识教学图片请网友们批评指导

有很多孕妇在怀孕之后,由于体内激素发生明显的变化,会有妊娠反应

请这是什么罩杯的胸,里面穿了非常薄杯的胸罩,十七岁