赵荀个人资料简介 赵荀写真

相关图片

《与狼共舞2》热播 赵荀角色过瘾亮点多

一部戏用8个替身为何还有人夸他敬业走进赵荀的另一面人生

赵荀:演《罚罪》里的赵老三,我不光有"邪魅狂狷"_腾讯新闻

用力过猛赵荀在罚罪中塑造的反派不伦不类小混混既视感

一场戏看哭无数网友,这种演员真给国产剧加分

随机推荐

【4k60p站内最垃修复 屌级音质】周杰伦-《断了的弦》2004年无与伦比

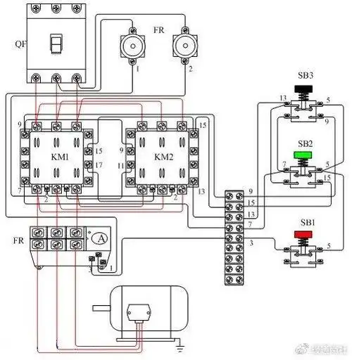
接触器实物接线图-380v220v交流接触器接线图

熊猫人表情包

杨颖中秋节古装照美出圈清冷感好绝简直仙女下凡

刘耀文一秒八个小表情好生动可爱的小丸子

图文伙伴计划 简笔画教程:奥特曼简笔画!艾特你有手的朋友给 - 抖音

宝格丽扇项链

把泰迪交给男朋友照看,一个月后