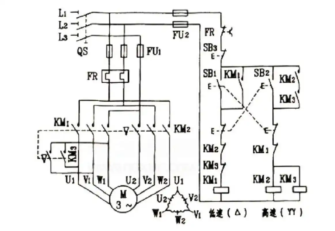
三相鼠笼式电动机变极调速控制电路图解 异步电动机的调速方法有变极

相关图片

三相电路

三相异步电机的基本控制电路_三相异步电动机控制电路-csdn博客

三相电动机定子绕组串联电阻降压启动控制线路电路图解 2,电动机由

2三相异步电动机单向起动控制线路

三相异步电动机调速控制电路 p60页

随机推荐

tfboys

中国功夫英文简介ppt

tfboys你们听见吗这一句喜欢你们,追得上你们背影吗

狼们怎么能偷懒,来来来,帅出新高度的钟汉良elle高清手机壁纸三张

这是翻新电池吗,日期如何认,详细说一下

晋江大神漫漫何其多的佳作《长腿叔叔》先婚后爱,甜蜜来袭

人格测试十六型人格有哪些 性格测试16种人格

刘品言:甜美可爱高清写真!__财经头条