接地装置的组成和作用解决方案华强电子网

相关图片

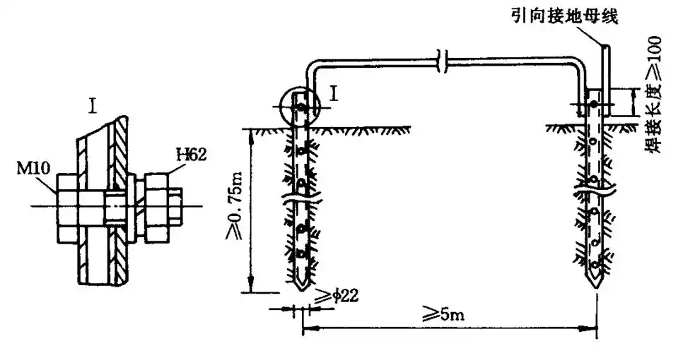
输电线路的杆塔接地方法,让地网更安全,避免雷击事故

监控立杆接地安装图

接地装置

5米长的钢管或者角铁或者圆钢做接地体都行,再把一端切斜口或者削尖.

40米环形钢管避雷针-山西防雷公司,避雷针,避雷塔,防雷工程,防雷接地

随机推荐

朴灿烈##朴灿烈拼接壁纸

80年代著名的港台男歌手,他们的歌声直至今日依然让人着迷

探访云南省临沧市双江县冰岛老寨整体搬迁

哈哈珍藏了许久的嘉伦打篮球的照片爱辽爱辽

鹿晗明星风尚壁纸19

早安杨紫##杨紫萌探探探案

16855kg普通女生健身三年的变化

可可耐耐的玉子和五人闺蜜头像吖我是在小红书上搜的大家不要嫌弃啊