请教各位电工,机电,电子懂线路图图的给我画线路图,最好要详细点,先

相关图片

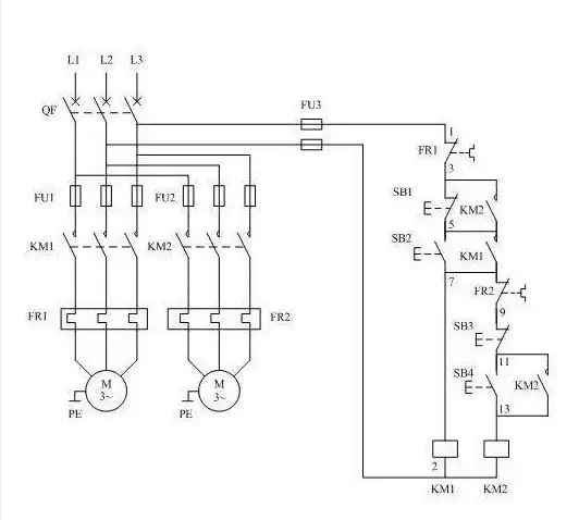
零基础学电工,先要学会这些最基本的电路图

看电气控制电路图的方法 - 电工基础知识_电工学习网

电机正反转接触器互锁电路图_电工基础知识_电工技术-电工最常见电路

顺序停止电路接线示意图_电工基础知识_电工技术-电工最常见电路

电动机制动控制电路图_电工基础知识_电工技术-电工最常见电路

随机推荐

周杰伦手绘专辑封面头像

欧阳娜娜明星同款衣服韩版宽松粉色减龄印花卫衣2021秋冬新款

angelababy生图颜值抗打路人镜头里亲切温暖收割孩子心

广西30岁以下十大美女演员你们都知道谁看看有你最爱的明星吗

汤姆赫兰德

超女黄英近况

羽毛球头像李宗伟_微信头像图片大全

高清真人男头看不出来是网图的照片,男生头像图片