清冷孤傲古风头像男生帅气图片84张_男生动漫头像_头像屋

相关图片

古风动漫男头78

古风头像 男头 帅气

古风动漫男头

绝美男生头像动漫古风(24张)

古风

随机推荐

短头发怎么编10款最in短发编发慵懒风编发超级好看

小学生的幽默笑话2

动漫头像##女生头像

迪丽热巴和白裙的默契度太美了_连衣裙_白色_好身材

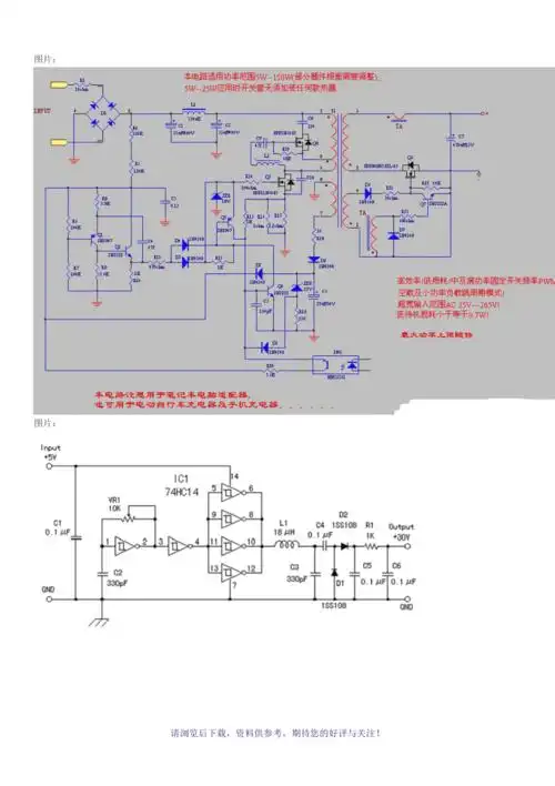
开关电源各种经典电路图详解

exo 张艺兴 lay 吴世勋 sehun 魂蛋 勋兴

风帆蓄电池6gfm1206v120ah规格及型号

中发锁骨发烫发蓬松气垫烫简约温柔显气质