工藤新一和小兰幼儿园时头像 - 抖音

相关图片

小时候的新一和小兰的情头#名侦探柯南 #毛利兰 #工藤新一 - 抖音

工藤新一 x 毛利兰 喜欢~情头~つ63新兰つ63#名侦探柯南##二

名侦探柯南|新一×小兰

新一和小兰在说什么?

新一小兰情头!好想拥有甜甜的恋爱阿

随机推荐

张一山"结婚照"新鲜出炉,看到女主网友不淡定了:在一起!

华晨宇穿恨天高大秀音乐天赋172的身高182的才华

千与千寻 白龙 可爱 萌 livephoto 锁屏 壁纸 动态 女生治愈 宫崎骏

易烊千玺二次元头像鸭卡通动漫头像

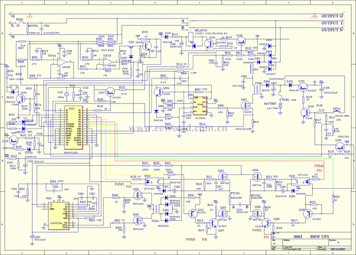
ups线路图 --电子电路图--电子工程世界

精选54张创意少儿绘画装饰线描优秀范画让孩子轻松上手

个人名片2

去年超火97的海上月亮兔折纸,全网都在找的教程 - 抖音