五,送丝机控制电路

相关图片

电焊机电路的基本组成

二保焊机otc送丝机的六条线哪条是负极,如何用量电压法检查线路是否

直流逆变焊机380-220电压识别切换及锁定电路原理

二保焊机有电压没有电流是什么原因

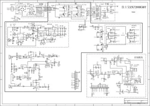
文档下载 所有分类 工程科技 机械/仪表 > 佳士宝200原理图r31 10 r3

随机推荐

考古拍电视剧时着女装的王俊凯我们凯莉再过那么久依旧美丽动人

高清动漫cp头像情侣可爱

一步步教你画,教你如何画好q版人物!

t-ara朴智妍大婚,12年闺蜜iu送的礼物也太感人了|李知恩|李洪基|tvn

唯美落日海边风景唯美高清桌面壁纸

穿越火线官方晒比基尼夏日灵狐原画玩家声称太性感了

原创当年李炜和苏醒为了女人大打出手如今吴莫愁和张碧晨为什么开战

局外人:越轨的社会学研究