55o锥管螺纹型式和尺寸-bspt.pdf

相关图片

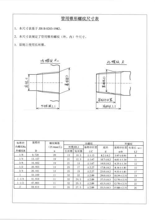
55°圆锥管螺纹型式和尺寸 bspt

npt:美国标准的60度锥管螺纹

标沐美制锥管寸度锥管螺纹 npt 2*1/2(现货) npt 1/16-27 板牙外径

锥管螺纹1:16什么意思

60度 55度圆锥管螺纹有关尺寸参数表

随机推荐

铝合金护栏户外阳台露台楼梯铝栏杆扶手尺寸定制焊接木纹铝艺护栏

古风美人 | 窈窕淑女,君子好逑

手机屏幕漏液能修复吗 手机屏幕漏液能修复吗其他都正常的

百年好合,恩爱一生!

iu超话#李知恩##iu#最近比较想修古装,于是把解树翻出来了~最喜欢的一

张嘉倪女神的高跟鞋_凉鞋_图片_明星

超全印尼小胖孩tatan动态表情包合集!祝大家假期快乐!

皮卡丘旋转pok07mondetectivepikachu大侦探皮卡丘跳舞动图卡通表情