(2)电阻丝r的阻值;(1)电饼铛在高温烧烤时电路中的电流

相关图片

电饼铛#电路图 - 抖音

北京荣源yxd-30台式电饼铛电路图

xdjk-150接线图 我有一台电饼铛线路坏了,不知道怎么接请老师指点一下

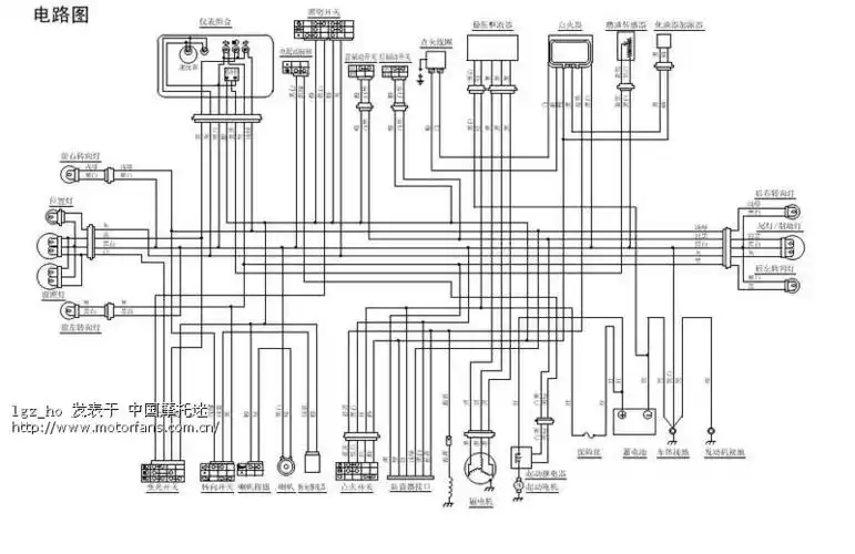
电饼铛电路图

空调温控器接线图及原理,电饼铛温控器接线图及原理_竞价网

随机推荐

岩忍村智商最堪忧的忍者,本能坐办公室逗黑土,却偏选择自爆吃土

2022下半年这4款短发很流行,显脸小又好看(2021圆脸减龄最火短发图片

陈伟霆云浮河口

鄢颇,被梅婷养了6年,再被李小冉前任砍伤,现和李呈媛结婚7年了

好看的电视剧青春甜美剧情_甜蜜青春校园剧,双向爱情,哪一部让你想

儿童写字姿势矫正器防近视

五官清晰头像女,女生头像图片

首页 桌面壁纸 设计创意 宽屏高清设计创意精致电脑壁纸 (5/ 19) 2013