2,xx高速公路新建段沥青路面主要结构形式详见下图:图11.

相关图片

2021二建微知识|考点一天一个,轻松学(沥青路面结构组成与性能)

沥青面层

沥青道路结构

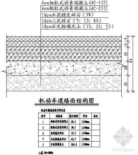
机动车道路面结构图

创新创意 正文一,结构组成 (一)基本原则 (1)城市 沥青路面道路结构

随机推荐

动漫女生人物绘画二次元 - 抖音

就觉得大陆男艺人张若昀很帅

赵丽颖新片引青春回忆 《我们的十年》回忆杀赚泪点

赘婿和总裁千金,油腻导演,杨幂,刘宇宁,白鹿,- 最新八卦汇总_祖儿

好姐妹 是一生的知己95#我和我的美女朋友 #闺蜜 #不小心 - 抖音

进击的巨人

全军明起换发启用新式证件

chocolate chip cookie