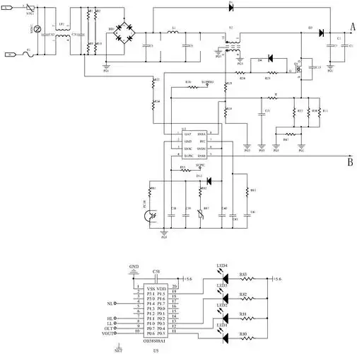
锂电池恒流定压充电电路

相关图片

tl431中文资料 手机充电器电路原理图 恒温烙铁 铅酸电池 电子元器件

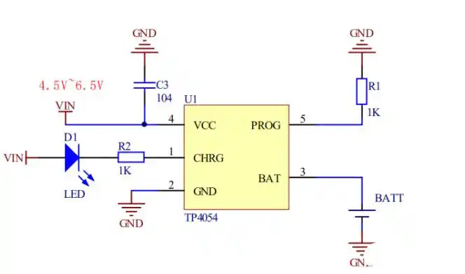
锂电池充电器电路

电动车充电器电路图2

基于锂电池充电器的设计与制作: 20121112053629221273911.jpg

42锂电池充电器电路图

随机推荐

35岁刘诗诗穿花朵抹胸蓬蓬裙秀天鹅颈姿态优美

国家的标志———东关民族小学一五中队

二,12星座女谁才是真正的女神?

如今再看杨幂和赵丽颖十四年的明争暗斗似乎已见分晓

2018男士蓬巴杜发型先睹为快

重温经典:梦回唐朝31

张若昀十大经典电视剧

宋- 堆糖,美图壁纸兴趣社区