Warning: session_start(): open(/tmp/sess_qu13vg32frp75pul61i1kv95fl, O_RDWR) failed: No space left on device (28) in /www/wwwroot/www.nnbbaa.com/config.php on line 2

Warning: session_start(): Failed to read session data: files (path: ) in /www/wwwroot/www.nnbbaa.com/config.php on line 2
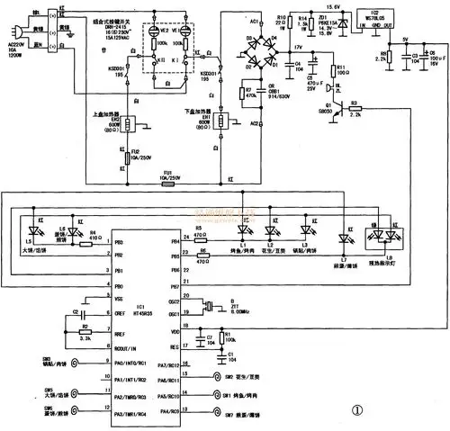
美的电饭锅煲电路图 - 能吧图片库

美的电饭锅煲电路图

相关图片

这个家用电饼铛怎样接船形双开

北京荣源yxd-30台式电饼铛电路图

电饼铛电路图

家里新买的电饼铛四根线都怎么接 其中三根在在一起包着有一根在外边

利仁电饼铛开关_接线图分享

随机推荐

杨洋

睡前一招长高十厘米,睡前4个长高小动作简单又轻松

王一博

李彩桦写真图片-自制768x1366壁纸.-明星写真馆n63.com

花草山水,图片鲜艳.很喜欢

《择天记》【徐有容】 徐有容身具天凤血脉的人族,天赋 - 抖音

壶天阁,明代所建,清乾隆重新修筑,因山势似铜壶而得名.

郭來 郭來 《耶稣升天歌(改编赞美诗115首)》简谱