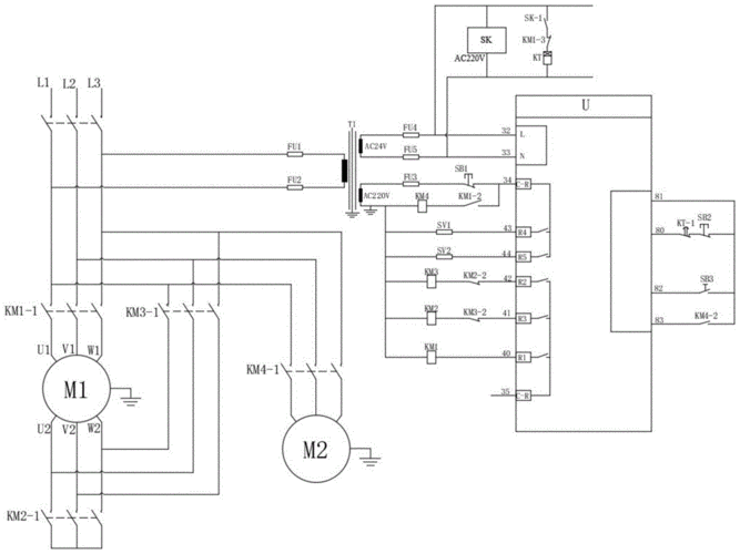
螺杆式空气压缩机二次线路图 - 电路图分享_电工学习网

相关图片

空压机原理图

一种模糊化控制螺杆空压机的控制器及控制方法

空气压缩机电动机断相保护电路

宝米勒355kw空压机专用变频器

汽车空调压缩机双级控制的工作原理

随机推荐

(不定期更新)_火影忍者吧_百度贴吧

baby杨颖好温柔好漂亮的一套造型甜美可爱元气满满

2020微信最新精致女生头像,个性头像图片-回车桌面

【图片13】圆明园遗址--蜂鸟论坛照片套图

林忆莲睽违6年即将发行新专辑《0》 阿信吴青峰强强联手

原神表情包无语荧妹

fila fw 17 campaign

杨娜:闪耀平面模特界的璀璨之星