4k 3840x2160纯色测试图片

相关图片

【当贝市场】5张图帮你测4k电视有无坏点亮点!

纯色图片

专业显示器27寸100srgb明基pd2710qc试用

如何进行屏幕纯色测试?一篇详细指南-胡桃知识网

用纯色图片就能够很容易通过肉眼去判断,通过rgb及白灰黑等色彩显示

随机推荐

时尚潮流动漫桌面壁纸图片

郭富城亮相香港活动,潮流搭配展不老风采,经典造型引爆网络热议_时尚

金星再晒和外籍老公合照, 大方表白一同迎接幸福美好

子到达前的事情,第一条是闪梅闪向,第二条涉及闪闪其他cp倾向【无肉】

邓伦杨紫《香蜜沉沉烬如霜》后,再度合作,粉丝纷纷支持_视频_星落_剧

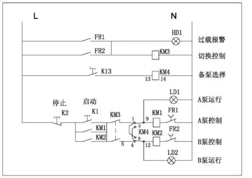
水泵一用一备电路图

在最新释出的出发图中,黄轩身穿黑色简约风西装,手拿报纸,眸光深邃

兄妹