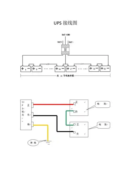
3a3ups接线示意图

相关图片

山特ups不间断电源-山特ups电源批发

ups接线图与维修说明

ups接线安装实例

山特ups电源技术方案

山特ups电源3c3ex160ks

随机推荐

有多少小姐妹在等天天向上 肖战王一博剪影_剪影_陈情令_陈情令影评

男生头像带公式 帅气学霸头像

入冬了来个冬天的茶席温暖你

莱昂纳多小李子

安排好了斩获三大金奖的德国啤酒配东北重口味烧烤

5166512画师:am1m喜欢记得点赞在看跟着触娘一起欣赏更多安洁莉娜的美

名柯 #名侦探柯南 #警校五人组 #柯南 啊啊啊!警校五人组好帅 !!

装修效果图_寰宇天下套二装修案例效果图-齐家典尚装修