全桥整流电路

相关图片

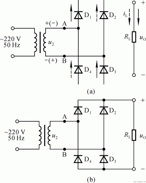
2,一个单向桥式整流电路如图所示,若输出电压uo=18v,负载电流il=1a,求

单相桥式整流电路工作原理

单相桥式整流电路

二极管整流桥接法

三相桥式整流桥接线图

随机推荐

肖战沙雕表情包分享 肥虾速来斗图!

刘涛作为京圈贵妇,自然也喜欢价值不菲的包包.

王一菲新剧《玉昭令》今晚开播化身敢爱敢恨"小桃花"

张天爱手段太高!一句话让郭麒麟满脸通红,郭德纲:同意这门亲事

少女心可可爱爱软萌油画壁纸

窗帘轨道安装方法92详细干货77注意事项7215 95安装方法

上海外国语大学附属外国语学校60周年校庆吉祥物"白泽"正式发布

【真皮】秋冬季中筒靴女2020新款中跟粗跟尖头时尚百搭女士中筒靴