一起学电工三相电机自锁电路接线图电压36v380v接触器

相关图片

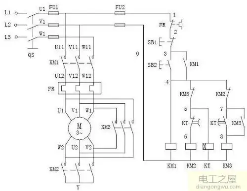
三相电机星三角启动电路(电机星三角接线方法及星三角启动的电路原理

一起学电工三相电机自锁电路接线图电压36v380v接触器

今天大兰电机厂家告诉大家三相油泵电机的保护器是如何接线的.

用4个24v接触器和光电控制380v电机接线图

电机按钮启动接线图

随机推荐

#新加坡免签受益人王俊凯#

刘俊孝帅气迷人十足,行走的荷尔蒙男人味十足,魅力四射!

表情临摹练习#procreate #零基础学画画 #绘画表情素材 #ipad画画

月亮美人#

三问石家庄"西美金山湖削山造地建别墅"事件

杨旭文,唐朝诡事录中的卢凌风真的是帅呆了!

男生最受欢迎的发型烟花摩根碎盖男士发

萌萌哒兔子收纳盒折纸,简单易学又实用,手工diy折纸视频教程