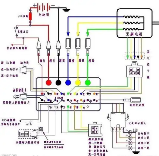
48v电瓶车保险丝位置图

【图】求阅读灯保险丝位置_欧力威论坛_汽车之家论坛

图片尺寸700x394

请教酷威保险盒里取"常电",安装行车记录仪,谢啦!

图片尺寸900x675

更换一电瓶情况依旧,在排查漏电过程中,将机关盖中的保险盒打开,逐一

图片尺寸800x1066

的acc保险在哪里啊,有图的话帮忙发个图看看_悦翔v3论坛_汽车之家论坛

图片尺寸700x519

三菱猎豹电瓶旁边那个保险盒示意图

图片尺寸700x433

保险丝在哪里(电动车保险丝在哪里)-第1张图片-七财经

图片尺寸700x1244

【图】保险盒取电器安装图文教程_北汽威旺m20论坛_汽车之家论坛

图片尺寸700x933

其中就有在论坛中争议了很久的车速助力转向(ssps)的保险丝,esp保险丝

图片尺寸600x800

19款新捷达保险丝盒位置在哪?_中华网汽车

图片尺寸588x771

【图】你好,麻烦这个保险丝是做什么的?_艾力绅论坛_汽车之家论坛

图片尺寸700x933

电动车电瓶怎么接线正负极那个接电机?_360问答

图片尺寸594x583

【保险盒】现代朗动,领动取电示意

图片尺寸597x368

摩托车电动车保险丝125踏板弯梁150三轮车48v 60 72v电瓶车保险片

图片尺寸800x800

电瓶车不供电是怎么回事电动车换完电池不通电

图片尺寸640x415

北汽新能源ex360前机舱保险丝盒保险丝是如何布置的?

图片尺寸1473x1187

看盖子内部的图示,第一排最左边是右近光灯保险的位置

图片尺寸1024x768

电动车保险丝去了好吗 电瓶保险片

图片尺寸608x455

爱唯欧升降器保险丝 爱唯欧保险盒

图片尺寸700x1169

保险丝盒英文定义_奇骏论坛_太平洋汽车网论坛

图片尺寸700x933

保险丝盒的说明书

图片尺寸1500x1125