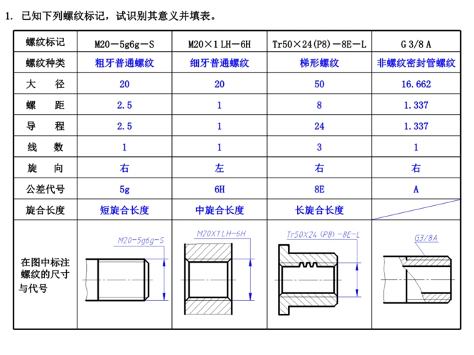
螺纹标注

多种螺纹画法及标注

图片尺寸920x1302

螺纹的标注66

图片尺寸920x690

管螺纹的代号标注

图片尺寸737x369

螺纹的标注方法

图片尺寸800x1132

工程科技 机械/仪表 常见螺纹的分类及标注ppt 在机械制图中螺纹标注

图片尺寸1080x810

工程图中内螺纹怎么标注

图片尺寸823x457

公制与英制螺纹的标注方法

图片尺寸1080x810

机械制图:螺纹的表示方法(小螺纹!大用处)

图片尺寸640x705

螺纹的标注方法

图片尺寸920x1303

螺纹的标注方法

图片尺寸800x1132

哪位大神帮忙算一下1/4npt锥度螺纹大头,小头,长度14

图片尺寸2448x3264

一文看懂螺纹紧固件的种类及标记,值得收藏!

图片尺寸656x479

螺纹的标注方法

图片尺寸800x1132

螺纹怎么标注螺纹标注的含义

图片尺寸676x2204

尺寸标注之螺纹的正确标注方式

图片尺寸619x445

螺栓螺纹标注

图片尺寸920x1303

尺寸标注之螺纹标注的正确方式

图片尺寸640x366

中所示m20粗牙普通外螺纹的错处圈出,将正确的画在下面(包括尺寸标注)

图片尺寸1152x864

螺纹的规定画法标注实例

图片尺寸920x1302

2 标准螺纹标注示例螺纹副标记的标注方法和螺纹标记的标注方法相同.

图片尺寸1741x970