plc梯形图符号

plc梯形图编程练习

图片尺寸620x826

步进梯形图指令fx1s可编程序控制器的基本顺控指令和步进

图片尺寸621x903

求大神帮忙,三菱plc梯形图转换成指令

图片尺寸540x960

③ 按钮人行道交通灯控制梯形图如图4-50所示.

图片尺寸640x362

plc单键启停梯形图

图片尺寸450x205

plc 机械手梯形图

图片尺寸882x1158

plc电动机点动与长动的正反转 梯形图

图片尺寸450x491

绘制梯形图如下

图片尺寸1080x810

(a) 梯形图

图片尺寸739x963

投诉 第1页 相关主题 你可能喜欢 三菱plc符号宏 西门子plc梯形图符号

图片尺寸675x465

根据梯形图写出助记符. x0 x2 x3 x4 x5 t1 x6 x7 k10 x1 y0

图片尺寸1080x810

三菱plc梯形图指令符号中各名称的作用

图片尺寸612x423

摇臂钻床控制器plc梯形图

图片尺寸944x751

plc梯形图语句指令表ppt

图片尺寸1080x810

plc电机正反转梯形图 梯形图电机正反转自动运行plc编程

图片尺寸640x1138

plc梯形图变换成指令表

图片尺寸3104x4192

附录2 自动双层停车场系统plc控制梯形图如下

图片尺寸645x521

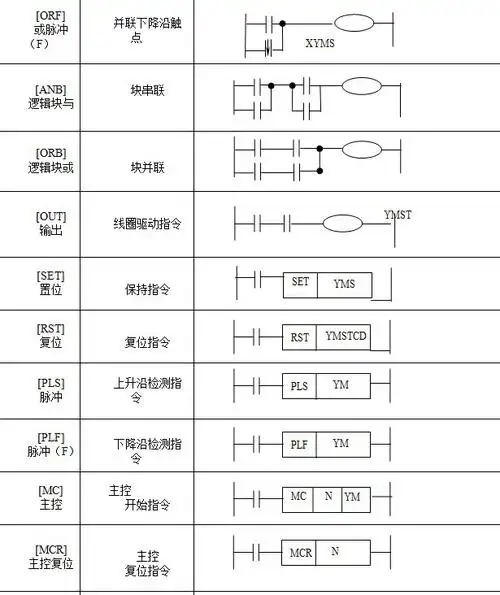
三菱plc梯形图指令符号中各名称的作用

图片尺寸564x642

三菱fx2n系列plc的编程器件梯形图实例

图片尺寸615x732

梯形图图形符号

图片尺寸1080x672