正负极电路图

电源正负极看不清

图片尺寸376x313

怎样自动切换电路正负

图片尺寸446x249

经验:从电源开始画起,把各个元件的正负极标出来,实物图也标出来,按

图片尺寸819x460

电路图中电源正负极怎么分

图片尺寸824x474

帮我标下电路的正负极

图片尺寸720x450

cn101887100a_自动识别电瓶正负极电路失效

图片尺寸2013x1295

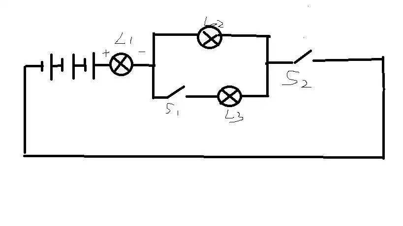
请在下图所示的电路中标出电源的正负极,以使开关s闭合后灯l发光.

图片尺寸450x200

急……请大侠们帮我设计一个led灯珠正负判别电路,电路要求led点亮时

图片尺寸446x578

电路图中电源正负极怎么分

图片尺寸750x400

二极管电路图正负极

图片尺寸450x270

如何区分二极管正负极,在电路图中如何画

图片尺寸559x310

右图是一个保险电阻,也叫熔断电阻,在电路中起保护作用,不分正负极.

图片尺寸450x253

电路图中的正负极怎么分?哪边是正极哪边是负极?

图片尺寸300x212

二极管正负极辨别so easy,快恢复二极管正负极判断方法

图片尺寸479x288

发光二极管电路图正负极

图片尺寸296x198

初三物理题,下面各电路中已标明电流方向,请在图中标出电源的正负极.

图片尺寸350x588

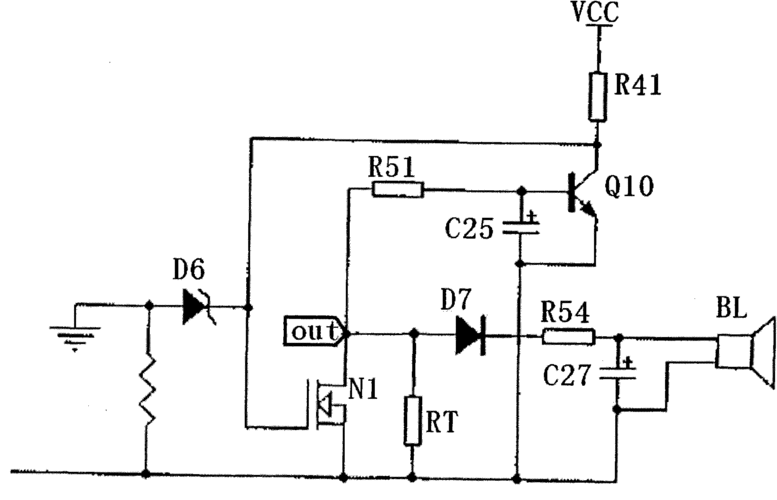
请帮我分析一下电路图中三个电容的正负极

图片尺寸516x529

展开全部 电路图为下图,只有电池和电表有正负极,有正负极的设备必须

图片尺寸1040x780

初中物理,能帮我把电器元件正负极都标出来吗?

图片尺寸780x1052

标这个电路图的正负极.

图片尺寸486x648