三相交流电路

三相交流电整流成直流电要几只二极管

图片尺寸350x270

三相交流电路的一道题

图片尺寸978x900

三相交流电路3

图片尺寸920x690

三相交流电动机y形和△形接线方法电路图

图片尺寸816x609

也就是它的转子转速,取决于定子绕组通以三相交流电后产生的旋转磁场

图片尺寸539x547

三相交流电动机正反转互锁电路的详解

图片尺寸704x727

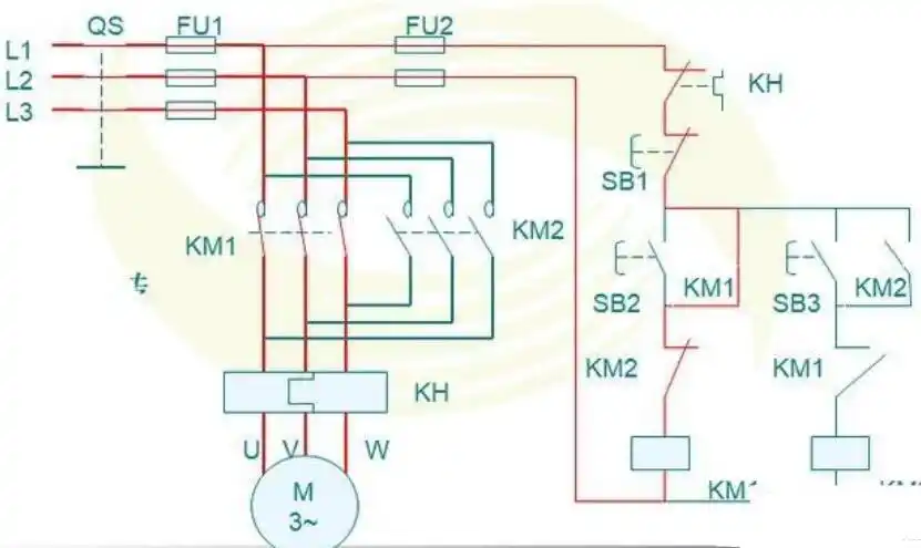
三相交流电机正反转控制按钮怎么接的?

图片尺寸500x437

三相交流电路的小结(1)--三相电源 三相四线制 ea a n b c 三相电源一

图片尺寸1080x810

电工基础实用教程(机电类)第4章三相交流电路.ppt

图片尺寸800x600

三相异步电动机自锁控制电路doc

图片尺寸920x1303

模拟三相交流电机正反转控制电路套件电子技能单招高职高考焊接

图片尺寸800x800

三相对称电路

图片尺寸722x368

在动力线三相交流电中有u相,v相和w相这三相电,题目所说的电路自动倒

图片尺寸831x495

12.3三相电路三相交流电源12.

图片尺寸1152x864

关于三相交流电一些问题

图片尺寸3264x2448

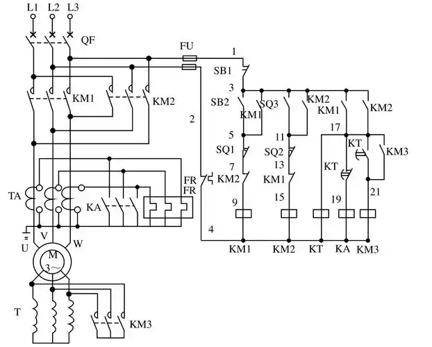
三相交流异步电机频敏变阻器降压启动电控线路

图片尺寸1504x1209

三相异步电机正反转一个急停三个按钮两个交流接触器线路图 不要解析

图片尺寸1600x1200

三相交流电路的介绍

图片尺寸648x341

讲解三相交流电路基础知识

图片尺寸1080x810

建筑内容电气相关 三相交流电路:三种电压初相位各差120°.

图片尺寸1080x810