rd圆弧螺纹

圆弧螺纹不知怎么分层加工

图片尺寸779x478

锥度面上车削圆弧牙型螺纹

图片尺寸770x398

r螺纹_word文档在线阅读与下载_免费文档

图片尺寸375x525

看看实在没招了把十几年前学的caxa搬出来用前几天老板还说圆弧螺纹用

图片尺寸1000x750

数控车床加工凹凸圆弧螺纹方法(圆的方程法)

图片尺寸640x379

数控车床圆弧螺纹宏程序

图片尺寸499x520

sis sms 681-1947 《圆螺纹 标称尺寸》.pdf

图片尺寸800x1136

> 圆弧螺纹

图片尺寸413x279

数控车上加工圆弧螺纹宏程序,这个案例值得你学习!

图片尺寸473x281

国际标准螺纹,统一标准螺纹,傻傻分不清!

图片尺寸400x310

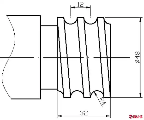
螺纹都是圆弧螺距55怎么做

图片尺寸441x326

rd din 405

图片尺寸450x409

30度内外圆齿螺纹刀片round16er6/8rd 16ir6/8rd gr928圆弧螺纹

图片尺寸800x800

螺纹都是圆弧螺距55怎么做

图片尺寸452x312

数控车宏程序教程18 圆弧槽螺纹分层加工宏程序_哔哩哔哩_bilibili

图片尺寸1728x1080

这个圆螺纹怎么加工?有没有高手帮忙解决的,在线急等.有图片的.

图片尺寸3264x2448

谈数控车削圆弧螺纹的加工方法

图片尺寸969x808

26页-德标圆螺纹rd.png

图片尺寸1293x1828

圆弧螺纹

图片尺寸1161x627

什么是rd标准螺纹?

图片尺寸450x274