g螺纹是什么螺纹

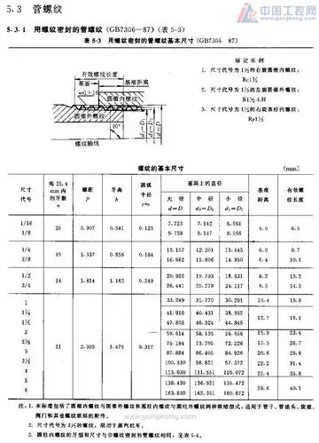
工程科技 机械/仪表 常用螺纹规格尺寸表 bsp,rp,g,pf,bspt锥管螺纹

图片尺寸785x1061

车内螺纹g1.5#孔车多大螺距多少呀数多少,进刀多少,,谢谢了

图片尺寸576x960

g8/1螺纹

图片尺寸492x354

g76复合型螺纹最牛讲解

图片尺寸660x450

几种常用螺纹的标注方式.#非标自动化 #机械设计 #螺纹 - 抖音

图片尺寸1240x1660

如何识别pt,npt,m,g,r螺纹连接的区别?

图片尺寸720x450

g管螺纹尺寸对照表值得收藏

图片尺寸823x485

机械工程师必会知识:m,pt,npt,g,r螺纹区别_哔哩哔哩_bilibili

图片尺寸1146x716

npt zg 锥螺纹标准

图片尺寸776x1119

npt,g ,rp螺纹,国际标准螺纹,公制螺纹的识别

图片尺寸697x308

2018-05-28 最佳答案 钢管4分丝就是g1/2管螺纹,因为一英寸等于8

图片尺寸576x455

管螺纹g1/2中1/2指的是什么尺寸,是什么意思,谢谢

图片尺寸600x450

螺纹g牙和r牙是什么意思?

图片尺寸864x1271

螺纹g牙和r牙是什么意思?

图片尺寸896x1243

标准公制螺纹基本牙型和公式

图片尺寸1222x1725

pt,npt,g管螺纹的区别 .终于搞懂啦#非标机械设计 # - 抖音

图片尺寸1080x1440

g zg管螺纹的基本尺寸表

图片尺寸920x651

g管螺纹尺寸

图片尺寸1107x688

g管螺纹尺寸对照表

图片尺寸1179x688

g螺纹表

图片尺寸733x777