泵的图形符号

液压系统常用符号

图片尺寸920x1302

液压马达与液压泵的职能符号对比: 2.4.1.2 液压马达的类别

图片尺寸818x298

一起来涨知识新旧真空泵符号对比

图片尺寸600x630

液压图形符号.doc 11页

图片尺寸792x1120

一起来涨知识新旧真空泵符号对比

图片尺寸600x630

说明:用于一张图内只有一种泵.

图片尺寸640x230

常用液压图标符号

图片尺寸703x906

常见液压系统图形符号安全阀是为了防止系统过载,即当活塞杆受到过大

图片尺寸1418x1749

油气,集输,注水泵工,绘制工艺流程图ppt

图片尺寸1080x810

工艺流程图符号及用途

图片尺寸588x650

常用液压符号

图片尺寸631x1029

液压泵的选择液压泵的分类液压泵的符号

图片尺寸646x421

常用液压图形符号

图片尺寸625x943

液压系统符号

图片尺寸824x1194

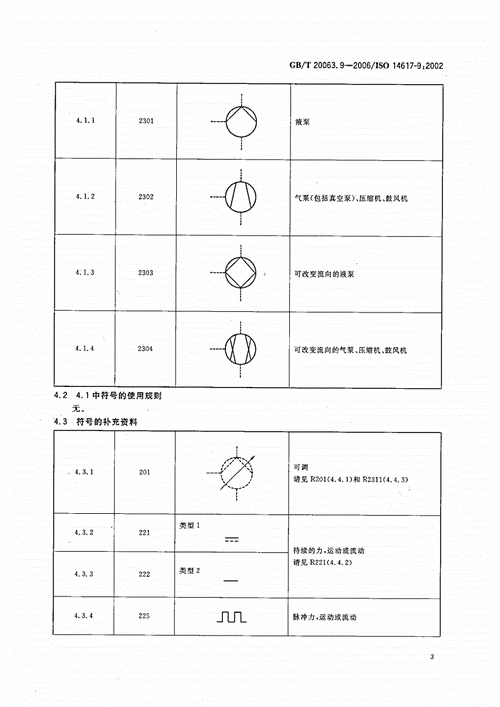
《gbt20063.9-2006-简图用图形符号第9部分:泵,压缩机与鼓风机》.pdf

图片尺寸792x1120

还是我来给您回答吧:泵有图形符号(参见gb6988.4-86 图a6,第一张)

图片尺寸450x318

精选水泵图块集

图片尺寸560x420

液压泵图形符号

图片尺寸626x642

常用液压图形符号

图片尺寸920x1302

液压泵图形符号.pdf 1页

图片尺寸800x1132