三个脚开关接线图

三控开关带插座只有三根线怎么接,最好附带图片

图片尺寸612x816

三控开关怎么接线

图片尺寸600x400

暂未定制 参与团队:电力 向ta提问私信ta 三开单控开关,参考上图接线

图片尺寸513x648

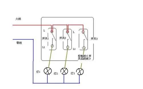
三控开关控制三个灯怎么走线?什么是控制线?

图片尺寸600x375

麻烦问一下如图的三开开关怎么接线?控制三个灯.

图片尺寸1281x830

这个开关怎么接线?我要控制三个灯泡.

图片尺寸480x854

红双喜电饼档开关接线图

图片尺寸640x417

三开三控接线法

图片尺寸785x471

问三控开关怎么连接示图谢谢

图片尺寸800x346

三控灯开关怎么接?

图片尺寸913x628

三控开关接线图,校果图

图片尺寸884x580

信息中心 一灯三控开关接线图 为了解决用户可能碰到关于"一灯三

图片尺寸1840x3264

三控开关控制三个灯怎么走线?什么是控制线?

图片尺寸640x400

三开开关接线图实物图_你问我答网

图片尺寸700x510

三控三开开关怎么接线

图片尺寸640x400

三脚船型开关接线怎么接线

图片尺寸375x266

三控三位三灯中途开关接线图

图片尺寸875x433

三开三控接线图

图片尺寸1248x789

请问大神这种三开开关怎么接线.

图片尺寸768x1024

三脚 带灯 船型开关 的接线?各位电工来帮忙

图片尺寸577x398