16块电池ups接线图

美国山特ups双电源输入电池中间有个n是接哪里

图片尺寸961x539

西安山特ups蓄电池_接线图分享

图片尺寸458x316

ups接线图

图片尺寸600x400

ups电源电池怎么接线详细接线图解答

图片尺寸560x360

不间断电源蓄电池接线图 apcups电源

图片尺寸601x503

ups电源接线图

图片尺寸549x345

ups不间断电源蓄电池接线图

图片尺寸938x458

电池组的安装图示 apc的ups正负192伏的接法 就是两组电池,每组16节

图片尺寸605x460

ups系统安装主要是蓄电池之间连接,蓄电池与ups主机之间的连接.

图片尺寸486x397

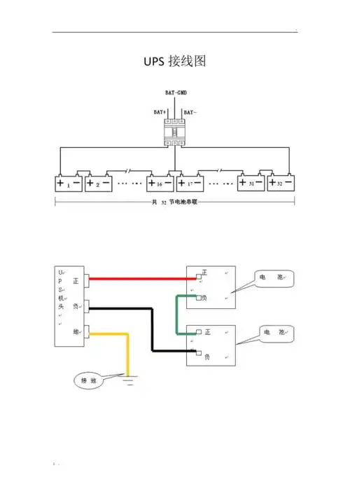
ups接线图

图片尺寸515x903

a ups接线示意图

图片尺寸893x782

ups接线安装实例

图片尺寸452x253

ups安装接线图解

图片尺寸625x637

ups备用电源的电池问题!

图片尺寸483x390

山特ups电源c10ks电池组怎么安装

图片尺寸618x743

ups系统安装主要是蓄电池之间连接,蓄电池与ups主机之间的连接.

图片尺寸640x718

ups系统蓄电池之间的连接

图片尺寸640x640

ups接线图与维修说明

图片尺寸920x1302

山特c6ks双转换在线式ups电源备电1小时配16节12v38ahvrla电池

图片尺寸790x819

3.如果有电池盒,将电池串起来,并根据需要连接到主机.4.对于大型vaups

图片尺寸744x563