急停按钮开关电路图

如何用 急停按钮 中间继电器 警铃 指示灯 变压器 行程开关 做个防盗

图片尺寸535x376

按一下只是给电路一个控制信号,像电脑上的主机开关和重启按钮都是

图片尺寸500x334

急停按钮接线,急停开关接线图

图片尺寸500x375

急停开关接线图_电工基础知识_电工技术-电工最常见电路

图片尺寸528x390

启动按钮和停止按钮,以及急停开关要增加一个怎么接线?

图片尺寸614x540

一个按钮控制启动停止电路图

图片尺寸566x452

在这个电路设计图中,使用合适的急停按钮s0,熔丝f0以及可靠的接戴器

图片尺寸600x412

4, 急停按钮开关与熔断器,线圈,漏电断路器,接触器进行电路

图片尺寸581x418

防爆急停按钮包邮la531控制开关自锁防爆电气

图片尺寸667x500

急停按钮和复位按钮的继电器线路

图片尺寸819x460

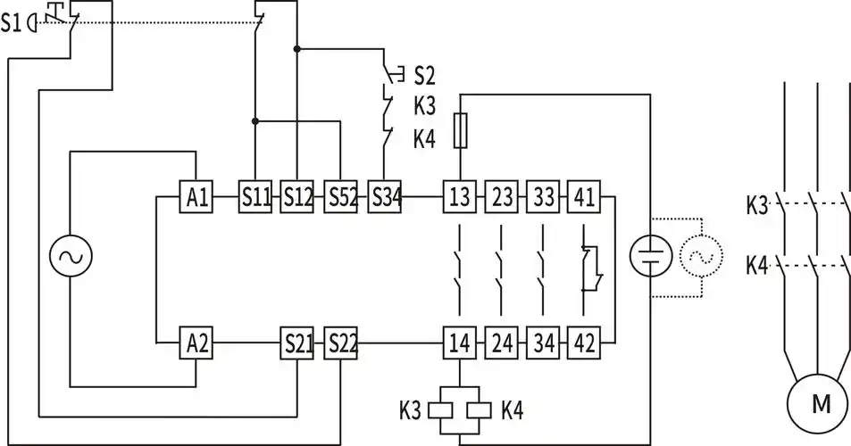
个接触器3个按钮开关如何实现自锁控制和点动控制 问题内容 sb1急停

图片尺寸601x564

czsr8003-3a1b 开关型安全设备输入 (急停按钮/安全门 230v ac 3no 1

图片尺寸2040x1070

三相异步电动机正反转电路中在按下急停按钮时是电动机瞬间反转数秒钟

图片尺寸500x376

czsr80012a2b开关型安全设备输入急停按钮安全门24vdcac2no2nc自动

图片尺寸2420x1716

电路图设计用两个按钮一个急停开关两个行程开关一个手自动切换开关

图片尺寸981x691

急停在plc电路中接常开触点,还是常闭触点?

图片尺寸640x794

急停按钮 电路图打开画图软件太慢了,我直接给你画一个.

图片尺寸259x301

用一个启动按钮,一个急停按钮,一个电接点压力表,若干时间继电器和

图片尺寸1097x509

用什么符号表示 图中sb1是急停按钮 网友回答 电路中带一个小蘑菇头

图片尺寸450x304

急停按钮控制电路的制作方法

图片尺寸845x1000